
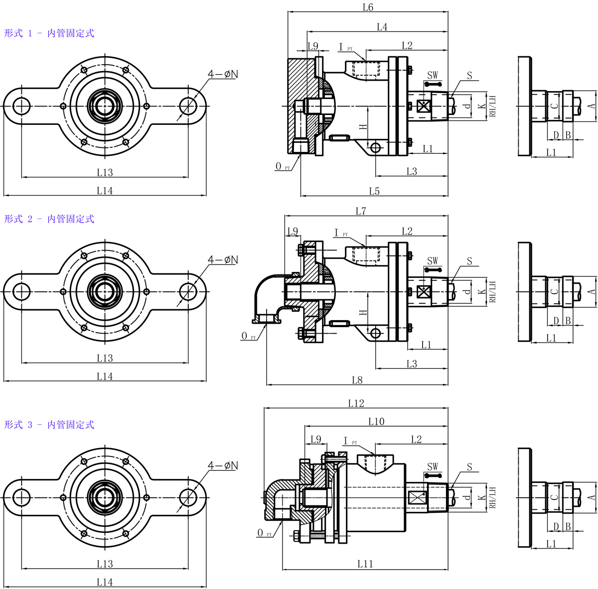
| Model | K | I | O | S | d | L1 | L2 | L3 | L4 | L5 | L6 | L7 | L8 | L9 | L10 | L11 | L12 | L13 | L14 | N | SW | H | 法兰式外管尺寸比照表 | |||
| A | B | C | D | |||||||||||||||||||||||
| 25A | R1" | Rc3/4" | Rc1/2" | Rp3/8" | 23.5 | 49 | 83 | / | / | / | / | / | / | 25 | 164 | 190 | 211 | 118 | 149 | 14 | 32 | / | 34 | 12 | 32 | 18 |
| 32A | R1-1/4" | Rc1" | Rc1/2" | Rp1/2" | 28 | 64 | 133 | 114 | / | / | / | 241 | 255 | 43 | / | / | / | 190 | 280 | 20 | 39 | 58 | 40 | 13 | 38 | 20 |
| 40A | R1-1/2" | Rc1-1/4" | Rc3/4" | Rp3/4" | 36 | 77 | 149 | 132 | 233 | 243 | 263 | / | / | 18 | / | / | / | 206 | 316 | 21 | 46 | 66 | 47.8 | 13 | 45 | 20 |
| 50A | R2" | Rc1-1/2" | Rc1" | Rp1" | 45 | 77 | 149 | 132 | / | / | / | 286 | 305 | 48 | / | / | / | 250 | 350 | 30 | 54 | 75 | 60 | 16 | 57 | 24 |
如属规格品外,,,,,,本公司可配合要求制作。。。。。。
规格尺寸若有修改,,,,,,恕不另行通知。。。。。。
Copyright ?888.BY集团电子游戏 版权所有 闽ICP备05026600号 中机标准化研究院 网站建设:科伟网络