888.BY集团电子游戏

888.BY集团电子游戏(中国)有限公司官网
888.BY集团电子游戏(中国)有限公司官网

旋转讨论

首页 - 产品展示

888.BY集团电子游戏(中国)有限公司官网

MXQ型 双通路(内管旋转式)

型号:MXQ
外管:螺纹或法兰
特征:球面密封设计;;; ;;; 标准锑或碳石墨密封手艺;;; ;;; 可替换性密封底盖;;; ;;; 最大化轴承间距;;; ;;; 刷新型讨论和虹吸器支持;;; ;;; 旋转式或牢靠式虹吸器 。。。。。。。。

手艺参数:
适用介质 热油、蒸汽
最高温度 ≤350℃(油) ,,,,,≤220℃(蒸汽)
最高压力 ≤1.8MPa
最高转速 20A-80A≤250rpm; 90A-150A≤100rpm


产品咨询 返回列表

销售服务热线:

0595-8686 1188

888.BY集团电子游戏(中国)有限公司官网

RN

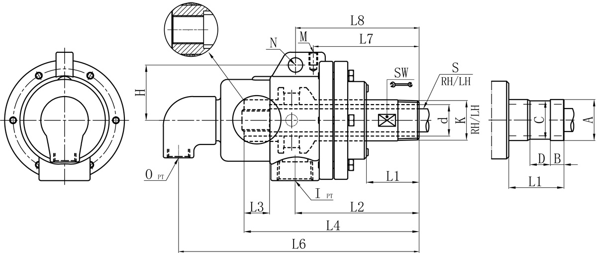
Model K I O S1 d L1 L2 L3 L4 L6 L7 L8 M N H SW 法兰式外管尺寸比照表
A B C D
20A R3/4" Rc3/4" Rc1/2" 12 18 46 104 20 139 199 96 / M10 / / 24 26 11 24 16
25A R1" Rc3/4" Rc1/2" 16 23.5 51 110 25 151 210 109 / M10 / / 32 34 12 32 18
32A R1-1/4" Rc1" Rc1/2" 20 30 51 122 30 184 238 108 139 M10 14 60 41 40 13 38 20
40A R1-1/2" Rc1-1/4" Rc3/4" 25 36 62 143 35 200 278 133 149 M10 16 71 45 47.8 13 45 20
50A R2" Rc1-1/2" Rc1" 32 45 71 161 40 223 312 150 173 M12 18 81 55 60 16 57 24
65A R2-1/2" Rc2" Rc1-1/4" 40 58 76 178 45 251 357 157 183 M12 20 91 70 74 19 70 24
80A R3" Rc2-1/2" Rc1-1/2" 46 72 87 264 45 324 424 187 214 M12 20 110 85 87 25 84 24

如属规格品外 ,,,,,本公司可配合要求制作 。。。。。。。。

规格尺寸若有修改 ,,,,,恕不另行通知 。。。。。。。。


888.BY集团电子游戏(中国)有限公司官网

RT

Model K I O S d L1 L2 L3 L4 L6 L7 L8 M N H SW 法兰式外管尺寸比照表
A B C D
20A R3/4" Rc3/4" Rc1/2" Rp1/4" 18 46 104 20 139 199 96 / M10 / / 24 26 11 24 16
25A R1" Rc3/4" Rc1/2" Rp3/8" 23.5 51 110 25 151 210 109 / M10 / / 32 34 12 32 18
32A R1-1/4" Rc1" Rc1/2" Rp1/2" 30 51 122 30 184 238 108 124 M10 14 60 41 40 13 38 20
40A R1-1/2" Rc1-1/4" Rc3/4" Rp3/4" 36 62 143 35 200 278 133 149 M10 16 71 45 47.8 13 45 20
50A R2" Rc1-1/2" Rc1" Rp1" 45 71 161 40 223 312 150 173 M12 18 81 55 60 16 57 24
65A R2-1/2" Rc2" Rc1-1/4" Rp1-1/4" 58 76 178 45 251 357 157 183 M12 20 91 70 74 19 70 24
80A R3" Rc2-1/2" Rc1-1/2" Rc1-1/2" 72 87 264 45 324 424 187 214 M12 20 110 85 87 25 84 24

如属规格品外 ,,,,,本公司可配合要求制作 。。。。。。。。

规格尺寸若有修改 ,,,,,恕不另行通知 。。。。。。。。

Copyright ?888.BY集团电子游戏 版权所有 闽ICP备05026600号 中机标准化研究院 网站建设:科伟网络

【网站地图】【sitemap】